
	
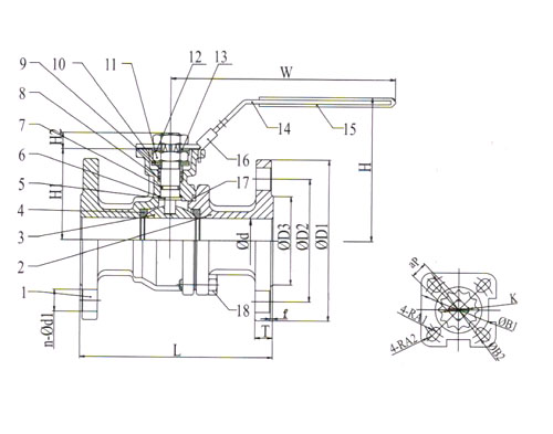
精密铸造德标二片式高平台法兰球阀(通径)
法兰标准:DN15-DN50(PN16/25/40): DIN 2543/2544/2545 DN65-DN100(PN16): DIN2543
结构长度: DIN3202-F4
压力等级:PN16
材料:CF8M,CF8,CF3M,WCB
| 
					 
						ITEM
					 
				 | 
				
					 
						PART
					 
				 | 
				
					 
						MATERIAL
					 
				 | 
				
					 
						QTY
					 
				 | 
			
| 
					 
						1
					 
				 | 
				
					 
						BODY
					 
				 | 
				
					 
						CF8M
					 
				 | 
				
					 
						1
					 
				 | 
			
| 
					 
						2
					 
				 | 
				
					 
						CAP
					 
				 | 
				
					 
						CF8M
					 
				 | 
				
					 
						1
					 
				 | 
			
| 
					 
						3
					 
				 | 
				
					 
						BALL
					 
				 | 
				
					 
						316
					 
				 | 
				
					 
						1
					 
				 | 
			
| 
					 
						4
					 
				 | 
				
					 
						BALL SEAT
					 
				 | 
				
					 
						PTFE
					 
				 | 
				
					 
						2
					 
				 | 
			
| 
					 
						5
					 
				 | 
				
					 
						STEM
					 
				 | 
				
					 
						SS316
					 
				 | 
				
					 
						1
					 
				 | 
			
| 
					 
						6
					 
				 | 
				
					 
						THRUST WASHER
					 
				 | 
				
					 
						PTFE
					 
				 | 
				
					 
						1
					 
				 | 
			
| 
					 
						7
					 
				 | 
				
					 
						O-RING
					 
				 | 
				
					 
						VITON
					 
				 | 
				
					 
						1
					 
				 | 
			
| 
					 
						8
					 
				 | 
				
					 
						STEM PACKING
					 
				 | 
				
					 
						PTFE
					 
				 | 
				
					 
						2
					 
				 | 
			
| 
					 
						9
					 
				 | 
				
					 
						GLANG
					 
				 | 
				
					 
						304
					 
				 | 
				
					 
						1
					 
				 | 
			
| 
					 
						10
					 
				 | 
				
					 
						WASHER
					 
				 | 
				
					 
						301
					 
				 | 
				
					 
						2
					 
				 | 
			
| 
					 
						11
					 
				 | 
				
					 
						NUT
					 
				 | 
				
					 
						304
					 
				 | 
				
					 
						2
					 
				 | 
			
| 
					 
						12
					 
				 | 
				
					 
						WASHER
					 
				 | 
				
					 
						304
					 
				 | 
				
					 
						1
					 
				 | 
			
| 
					 
						13
					 
				 | 
				
					 
						STOP PIN
					 
				 | 
				
					 
						304
					 
				 | 
				
					 
						1
					 
				 | 
			
| 
					 
						14
					 
				 | 
				
					 
						HANDLE
					 
				 | 
				
					 
						304
					 
				 | 
				
					 
						1
					 
				 | 
			
| 
					 
						15
					 
				 | 
				
					 
						HANDLE COVER
					 
				 | 
				
					 
						PLASTIC
					 
				 | 
				
					 
						1
					 
				 | 
			
| 
					 
						16
					 
				 | 
				
					 
						LOCKING
					 
				 | 
				
					 
						304
					 
				 | 
				
					 
						1
					 
				 | 
			
| 
					 
						17
					 
				 | 
				
					 
						BODY GASKET
					 
				 | 
				
					 
						PTFE
					 
				 | 
				
					 
						1
					 
				 | 
			
| 
					 
						18
					 
				 | 
				
					 
						BOLT
					 
				 | 
				
					 
						304
					 
				 | 
				
					 
						(4)(6)(8)
					 
				 | 
			
| 
					 
						SIZE
					 
				 | 
				
					 
						d
					 
				 | 
				
					 
						L
					 
				 | 
				
					 
						T
					 
				 | 
				
					 
						f
					 
				 | 
				
					 
						D1
					 
				 | 
				
					 
						D2
					 
				 | 
				
					 
						D3
					 
				 | 
				
					 
						n-d1
					 
				 | 
				
					 
						H1
					 
				 | 
				
					 
						H
					 
				 | 
				
					 
						W
					 
				 | 
				
					 
						aP
					 
				 | 
				
					 
						ISO5211
					 
				 | 
				
					 
						N.M
					 
				 | 
				
					 
						KGS
					 
				 | 
			
| 
					 
						1/2"
					 
				 | 
				
					 
						15
					 
				 | 
				
					 
						115
					 
				 | 
				
					 
						16
					 
				 | 
				
					 
						2
					 
				 | 
				
					 
						95
					 
				 | 
				
					 
						65
					 
				 | 
				
					 
						45
					 
				 | 
				
					 
						4-14
					 
				 | 
				
					 
						48
					 
				 | 
				
					 
						82
					 
				 | 
				
					 
						120
					 
				 | 
				
					 
						9
					 
				 | 
				
					 
						F03/F04
					 
				 | 
				
					 
						5
					 
				 | 
				
					 
						2.91
					 
				 | 
			
| 
					 
						3/4"
					 
				 | 
				
					 
						20
					 
				 | 
				
					 
						120
					 
				 | 
				
					 
						18
					 
				 | 
				
					 
						2
					 
				 | 
				
					 
						105
					 
				 | 
				
					 
						75
					 
				 | 
				
					 
						58
					 
				 | 
				
					 
						4-14
					 
				 | 
				
					 
						53
					 
				 | 
				
					 
						87
					 
				 | 
				
					 
						120
					 
				 | 
				
					 
						9
					 
				 | 
				
					 
						F03/F04
					 
				 | 
				
					 
						8
					 
				 | 
				
					 
						3.38
					 
				 | 
			
| 
					 
						1"
					 
				 | 
				
					 
						25
					 
				 | 
				
					 
						125
					 
				 | 
				
					 
						18
					 
				 | 
				
					 
						2
					 
				 | 
				
					 
						115
					 
				 | 
				
					 
						85
					 
				 | 
				
					 
						68
					 
				 | 
				
					 
						4-14
					 
				 | 
				
					 
						58.5
					 
				 | 
				
					 
						90
					 
				 | 
				
					 
						160
					 
				 | 
				
					 
						11
					 
				 | 
				
					 
						F04/F05
					 
				 | 
				
					 
						10
					 
				 | 
				
					 
						3.73
					 
				 | 
			
| 
					 
						1-1/4"
					 
				 | 
				
					 
						32
					 
				 | 
				
					 
						130
					 
				 | 
				
					 
						18
					 
				 | 
				
					 
						2
					 
				 | 
				
					 
						140
					 
				 | 
				
					 
						100
					 
				 | 
				
					 
						78
					 
				 | 
				
					 
						4-18
					 
				 | 
				
					 
						71
					 
				 | 
				
					 
						100
					 
				 | 
				
					 
						160
					 
				 | 
				
					 
						11
					 
				 | 
				
					 
						F04/F05
					 
				 | 
				
					 
						14
					 
				 | 
				
					 
						4.95
					 
				 | 
			
| 
					 
						1-1/2"
					 
				 | 
				
					 
						40
					 
				 | 
				
					 
						140
					 
				 | 
				
					 
						18
					 
				 | 
				
					 
						3
					 
				 | 
				
					 
						150
					 
				 | 
				
					 
						110
					 
				 | 
				
					 
						88
					 
				 | 
				
					 
						4-18
					 
				 | 
				
					 
						76.5
					 
				 | 
				
					 
						105
					 
				 | 
				
					 
						200
					 
				 | 
				
					 
						14
					 
				 | 
				
					 
						F05/F07
					 
				 | 
				
					 
						18
					 
				 | 
				
					 
						6.10
					 
				 | 
			
| 
					 
						2"
					 
				 | 
				
					 
						50
					 
				 | 
				
					 
						150
					 
				 | 
				
					 
						20
					 
				 | 
				
					 
						3
					 
				 | 
				
					 
						165
					 
				 | 
				
					 
						125
					 
				 | 
				
					 
						102
					 
				 | 
				
					 
						4-18
					 
				 | 
				
					 
						85
					 
				 | 
				
					 
						125
					 
				 | 
				
					 
						200
					 
				 | 
				
					 
						14
					 
				 | 
				
					 
						F05/F07
					 
				 | 
				
					 
						25
					 
				 | 
				
					 
						8.90
					 
				 | 
			
| 
					 
						2-1/2"
					 
				 | 
				
					 
						65
					 
				 | 
				
					 
						170
					 
				 | 
				
					 
						18
					 
				 | 
				
					 
						3
					 
				 | 
				
					 
						185
					 
				 | 
				
					 
						145
					 
				 | 
				
					 
						122
					 
				 | 
				
					 
						4-18
					 
				 | 
				
					 
						100
					 
				 | 
				
					 
						142
					 
				 | 
				
					 
						255
					 
				 | 
				
					 
						17
					 
				 | 
				
					 
						F07/F10
					 
				 | 
				
					 
						48
					 
				 | 
				
					 
						12.80
					 
				 | 
			
| 
					 
						3"
					 
				 | 
				
					 
						80
					 
				 | 
				
					 
						180
					 
				 | 
				
					 
						20
					 
				 | 
				
					 
						3
					 
				 | 
				
					 
						200
					 
				 | 
				
					 
						160
					 
				 | 
				
					 
						138
					 
				 | 
				
					 
						8-18
					 
				 | 
				
					 
						112.5
					 
				 | 
				
					 
						155
					 
				 | 
				
					 
						255
					 
				 | 
				
					 
						17
					 
				 | 
				
					 
						F07/F10
					 
				 | 
				
					 
						75
					 
				 | 
				
					 
						18.90
					 
				 | 
			
| 
					 
						4"
					 
				 | 
				
					 
						100
					 
				 | 
				
					 
						190
					 
				 | 
				
					 
						20
					 
				 | 
				
					 
						3
					 
				 | 
				
					 
						220
					 
				 | 
				
					 
						180
					 
				 | 
				
					 
						158
					 
				 | 
				
					 
						8-18
					 
				 | 
				
					 
						125.5
					 
				 | 
				
					 
						168
					 
				 | 
				
					 
						300
					 
				 | 
				
					 
						17
					 
				 | 
				
					 
						F07/F10
					 
				 | 
				
					 
						110
					 
				 | 
				
					 
						26.60
					 
					 |